Descrizione del processo di progettazione:

1° FASE: il cliente illustra le caratteristiche fondamentali del cilindro
2° FASE: l’ufficio commerciale e/o tecnico affianca il cliente per definire tutte le specifiche costruttive quali ingombri, condizioni di funzionamento, tipo di fluido utilizzato, tipo di applicazione. In questa fase vengono inoltre evidenziate eventuali criticità.
Tutti i dati disponibili sono trasmessiti all’ufficio tecnico.

L’ufficio tecnico sulla base dei dati raccolti in precedenza sviluppa il progetto.
Vengono definite le dimensioni dei componenti del cilindro sulla base del tipo di materiali scelti e delle verifica di resistenza dei vari componenti.
Il dimensionamento strutturale è realizzato tramite fogli di calcolo o in caso di particolari esigenze con l’ausilio di verifiche ad elementi finiti.

Ll’ufficio tecnico definisce la tipologia di guarnizione da utilizzare in base alla velocità di funzionamento, temperatura, tipo di fluido ecc. e verifica la possibilità di alloggiamento nei vari componenti.

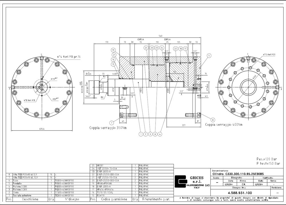
5° FASE: viene completato il disegno d’assieme completo di distinta componenti e dimensioni d’ingombro elenco guarnizioni.
6° FASE: prima di procedere alla fase di definizione dei singoli componenti si trasmette al cliente un disegno d’ingombro per richiedere l’approvazione.

7° FASE: vengono poi sviluppati i disegni costruttivi, gli elenchi dei materiali per l’ufficio acquisti.
8° FASE: la commessa relativa al cilindro progettato viene inserita nel database della produzione ove sono caricati gli elenchi dei componenti da produrre, quantitativi, date di consegna disegni d’assieme e costruttivi visualizzabili in produzione in ogni postazione di lavoro.